blog
Lar blog

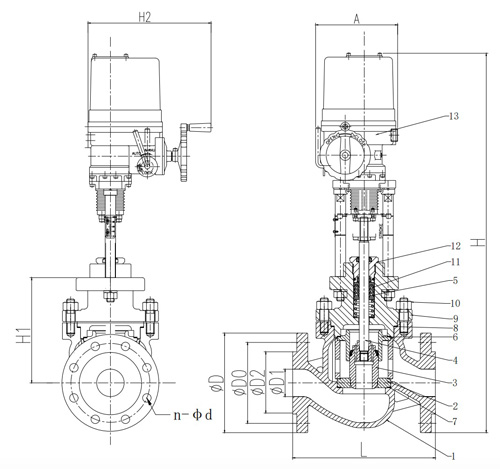
Válvula de controle de assento único com balanceamento de pressão elétrica e dupla aba em cada lado.

Válvula de controle de assento único com balanceamento de pressão elétrica e dupla aba em cada lado.

November 30, -0001

Introdução:

 

No mundo dinâmico dos processos industriais, o controle de precisão é fundamental. Apresentamos a revolucionária solução da GEKO. Válvula de controle de assento único com balanceamento de pressão elétrica e dupla aba Em cada lado, uma solução de ponta projetada para elevar suas capacidades de controle a níveis sem precedentes.

 

Electric-Pressure-Balance-Single-Seat-Control-Valve-with-a-Double-Flap-On-Each-Side.jpg

 

Principais características:

 

Precisão redefinida:

GEKO's Válvula de equilíbrio de pressão elétrica Foi projetado para oferecer precisão incomparável no controle de vazões e pressão. O design de dupla aba em cada lado garante uma modulação responsiva e precisa, permitindo o controle ideal do processo em diversas aplicações.

 

Tecnologia de equilíbrio de pressão:

A tecnologia de equilíbrio de pressão incorporada neste válvula de controle Garante estabilidade e confiabilidade na operação. Experimente um desempenho consistente mesmo em condições de processo desafiadoras e variáveis, graças ao compromisso da GEKO com a engenharia de ponta.

 

Vantagem da aba dupla:

O design de dupla aba em cada lado da válvula é revolucionário. Ele aprimora a precisão do controle, minimiza a histerese e otimiza o tempo de resposta. Essa característica inovadora diferencia a GEKO como líder em tecnologia de válvulas de controle.

 

Versatilidade sem limites:

Seja qual for o seu setor de atuação — químico, petroquímico, de geração de energia ou outros processos industriais —, a válvula de balanceamento de pressão elétrica da GEKO foi projetada para se adaptar a uma ampla gama de aplicações. Sua versatilidade a torna a solução ideal para engenheiros e operadores que buscam uma válvula de controle confiável e adaptável.

 

Integração perfeita:

A integração com os sistemas de controle existentes é perfeita, permitindo uma atualização descomplicada da sua configuração atual. Experimente os benefícios da tecnologia de controle moderna sem a necessidade de grandes modificações.

 

Construção robusta:

A GEKO compreende as exigências dos ambientes industriais. A válvula de controle foi projetada com foco na durabilidade, apresentando uma construção robusta que garante longa vida útil e manutenção mínima, contribuindo para a relação custo-benefício geral.

 

Conclusão:


A válvula de controle de assento único com balanceamento de pressão elétrica da GEKO, com dupla aba em cada lado, é uma solução revolucionária para indústrias que buscam precisão, eficiência e confiabilidade. Eleve suas capacidades de controle e mantenha-se à frente da concorrência com o compromisso da GEKO com a inovação e a excelência. Invista no futuro da tecnologia de controle – escolha GEKO. info@geko-union.com

 

Deixe um recado

Deixe um recado
Se você estiver interessado em nossos produtos e quiser saber mais detalhes, deixe uma mensagem aqui e responderemos assim que possível.
enviar

Lar

Produtos

contato